Roulement économique SD 1468XZRY - Mobix
search
  • Roulement économique SD 1468XZRY - Mobix
  • Roulement économique SD 1468XZRY - Mobix

MPS Watch s’impose comme le spécialiste incontournable du roulement à billes pour l’industrie horlogère en Suisse. Notre mission est simple: maximiser la performance de vos mouvements automatiques grâce à des composants de haute précision.

Nos roulements, disponibles avec billes en acier ou en céramique, sont conçus pour les plus belles montres. L'option céramique est un atout technique majeur: elle supprime le besoin de lubrification et garantit un remontage silencieux et durable.

Nous livrons des solutions complètes prêtes à l'emploi, comme des masses oscillantes assemblées avec soin sur des roulements. Notre expertise et notre verticalisation sont les clés pour garantir la longévité de vos montres.

Découvrir tous les produits de MPS Watch

SD 1468XZRY

CHF 11,95

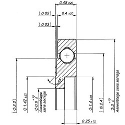
Le SD 1468XZRY est un roulement horloger compact faisant partie de la ligne Mobix. 

Généralement utilisé pour la construction de mouvements extra-plats et prévu pour être fixé sur pont ou platine à l’aide d’une vis, il est destiné à l’animation des mobiles de rouage. 

Les bagues de roulement et la cage sont en acier inoxydable ; les billes sont en zircone. Ce roulement est exempt de lubrification.

Quantité

La quantité minimale pour pouvoir commander ce produit est 20.

Téléchargement

  PDF

Plan technique (171.53KB)

  DXF

Plan technique (31.27KB)

Fiche technique

larg.
0.45
Ø ext.
3
Ø int.
0.9